Online dal 2006 – Esperienza comprovata
Più di 100.000 prodotti – Ampia gamma
Spedizione dal nostro magazzino – Consegna veloce
Spedizione gratuita per ordini superiori a 150 €

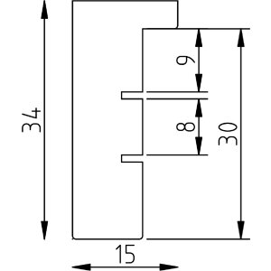
Cornice per foto in legno Effect Profil 2480 larice 40x40 cm con vetro antiriflesso

Cornice in legno larice 40x40 cm, profilo a blocco 1,5 cm, vetro antiriflesso, ideale per illuminazione diretta e ambienti moderni
Tipo Di Vetro 
Formato Della Cornice 

69,45 €
Incl. I.V.A. , più Spedizione