Online dal 2006 – Esperienza comprovata
Più di 100.000 prodotti – Ampia gamma
Spedizione dal nostro magazzino – Consegna veloce
Spedizione gratuita per ordini superiori a 150 €

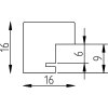
Cornice in legno effect Profil 51 Aspetto Antico Massello Molte Dimensioni e Tipi di Vetro

Cornice in legno massello, stile antico, oro o argento anticato, disponibile da 7x9 a 59,4x84,1 cm, vetro trasparente, antiriflesso, acrilico o da museo, adatta a parete, supporto aggiuntivo fino a 18x24 cm
Colore 
Tipo Di Vetro 
Dimensioni Della Cornice 

lontano
26,25 €*
Incl. 22% I.V.A. , più Spedizione
  • Immediatamente Disponibile