Online dal 2006 – Esperienza comprovata
Più di 100.000 prodotti – Ampia gamma
Spedizione dal nostro magazzino – Consegna veloce
Spedizione gratuita per ordini superiori a 150 €

effect Holzrahmen Profil 51 antikgold 45x80 cm Klarglas

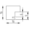
effect Holzrahmen Profil 51 antikgold 45x80 cm, Massivholzprofil, abgerundete Kanten, Antik-Look Folie, 1,6 cm Leistenbreite, Klarglas, zur Wandaufhängung
Colore 
Tipo Di Vetro 
Dimensioni Della Cornice 

104,62 €
Incl. I.V.A. , più Spedizione
  • Immediatamente Disponibile